升降式襯氟(fu)止回閥

一、升(sheng)降式襯氟止(zhi)回閥H41F46【概述】

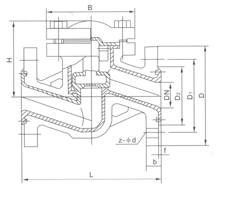
二、升降(jiang)式襯氟止回(hui)閥【主要外形(xing)和連接尺寸(cun)】
| 公稱通徑 | 标(biao)準值 | 參考值(zhí) | |||||||||
| DN(mm) | NPS(inch) | L | D | D1 | D2 | f | b | Z-φd | B | H | WT(kg) |
| PN1.0MPa | |||||||||||
| 15 | 1/2 | 130 | 95 | 65 | 45 | 2 | 14 | 4-φ14 | 105 | 55 | 5 |
| 20 | 3/4 | 150 | 105 | 75 | 55 | 2 | 16 | 4-φ14 | 115 | 58 | 7 |
| 25 | 1 | 160 | 115 | 85 | 65 | 2 | 16 | 4-φ14 | 128 | 60 | 9 |
| 32 | 11/4 | 180 | 135 | 100 | 78 | 2 | 18 | 4-φ18 | 145 | 75 | 11 |
| 40 | 11/2 | 200 | 145 | 110 | 85 | 3 | 18 | 4-φ18 | 160 | 82 | 13.5 |
| 50 | 2 | 230 | 160 | 125 | 100 | 3 | 20 | 4-φ18 | 178 | 95 | 18 |
| 65 | 21/2 | 290 | 180 | 145 | 120 | 3 | 20 | 4-φ18 | 205 | 105 | 22 |
| 80 | 3 | 310 | 195 | 160 | 135 | 3 | 22 | 4-φ18 | 230 | 120 | 28 |
| 100 | 4 | 350 | 215 | 180 | 155 | 3 | 22 | 8-φ18 | 255 | 135 | 34 |
| 125 | 5 | 400 | 245 | 210 | 185 | 3 | 24 | 8-φ18 | 305 | 158 | 58 |
| 150 | 6 | 480 | 280 | 240 | 210 | 3 | 24 | 8-φ23 | 345 | 180 | 72 |
| 200 | 8 | 600 | 335 | 295 | 265 | 3 | 26 | 8-φ23 | 415 | 215 | 150 |
| 250 | 10 | 622 | 390 | 350 | 320 | 3 | 28 | 12-φ23 | 490 | 240 | 165 |
| 300 | 12 | 698 | 440 | 400 | 368 | 4 | 28 | 12-φ23 | 540 | 265 | 190 |
| 350 | 14 | 787 | 500 | 460 | 428 | 4 | 30 | 16-φ23 | 585 | 300 | 225 |
| 400 | 16 | 914 | 565 | 515 | 482 | 4 | 32 | 16-φ25 | 635 | 360 | 254 |
| 450 | 18 | 978 | 615 | 565 | 532 | 4 | 32 | 20-φ25 | 680 | 385 | 285 |
| 500 | 20 | 978 | 670 | 620 | 585 | 4 | 34 | 20-φ25 | 740 | 415 | 333 |
下一篇(piān):無磨損球型(xing)止回閥
返回首(shou)頁